Exemple

Previous  home  Next   

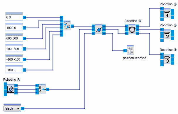
pathdriver_example